[Get 29+] Schematic Diagram Of A Geothermal Power Plant
View Images Library Photos and Pictures. Geothermal Exploration Process And Production Plants Oil Gas Portal How Geothermal Power Plant Works Explained Mechanical Booster Geothermal Power Generation In China Status And Prospects Zhang 2019 Energy Science Amp Engineering Wiley Online Library Ngawha Geothermal Power Background Information
. India Energy Portal Orc Based Geothermal Power Generation And Co2 Based Egs For Combined Green Power Generation And Co2 Sequestration Intechopen Diagram Home Geothermal Energy Diagram Full Version Hd Quality Energy Diagram Diagramseo29 Japanfest It
Binary Cycle Wikipedia
Preliminary Analysis Of Dry Steam Geothermal Power Plant By Employing Exergy Assessment Case Study In Kamojang Geothermal Power Plant Indonesia Sciencedirect
Eg 5682 Geothermal Power Plant Layout Diagram Wiring Diagram
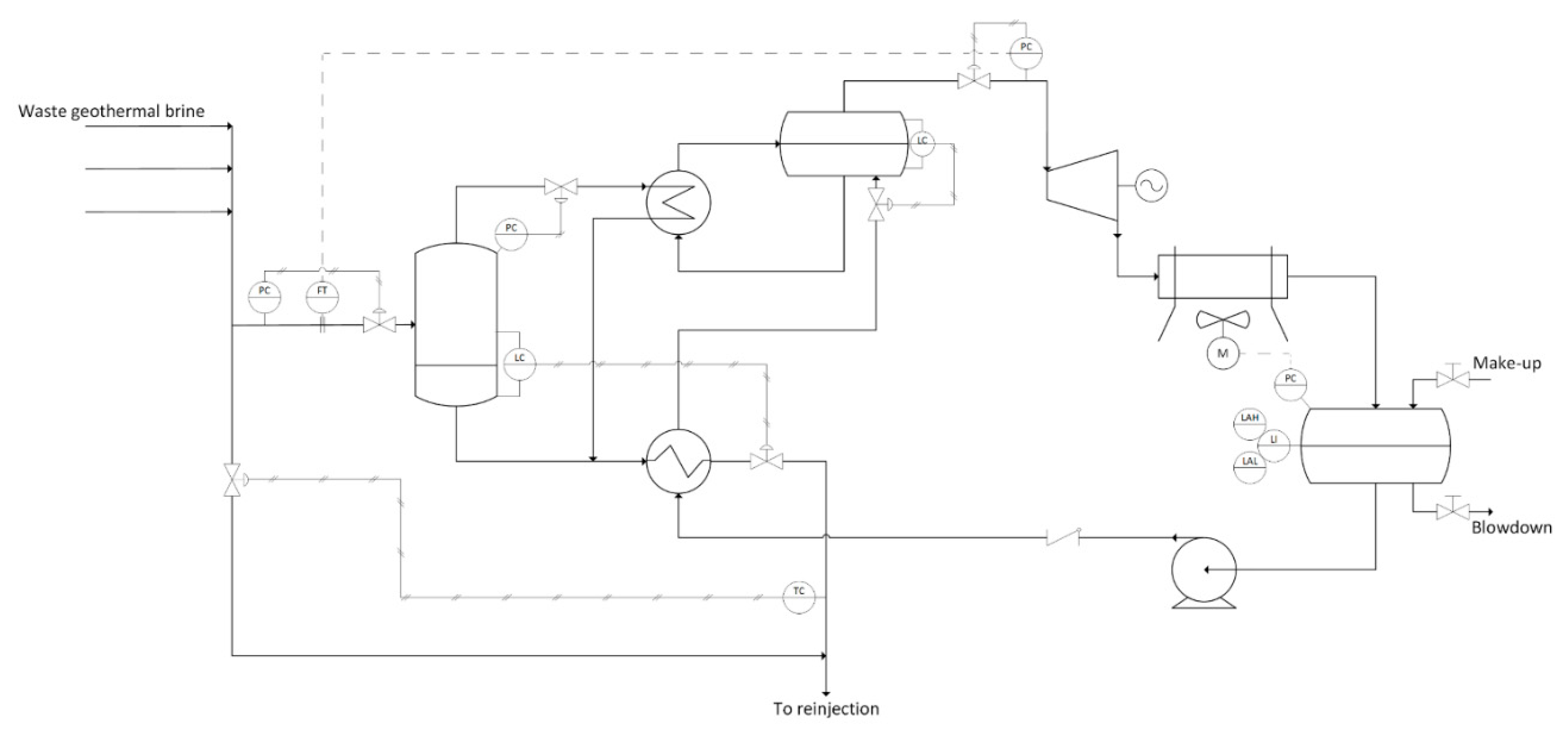
Water Free Full Text Reuse Of Waste Geothermal Brine Process Thermodynamic And Economic Analysis Html
Geothermal Exploration Process And Production Plants Oil Gas Portal
Diagram Home Geothermal Energy Diagram Full Version Hd Quality Energy Diagram Diagramseo29 Japanfest It
Geothermal Power Generation In China Status And Prospects Zhang 2019 Energy Science Amp Engineering Wiley Online Library
Geothermal Power Station Diagram Clean Energy Ideas
Ngawha Geothermal Power Background Information
Geothermal Exploration Process And Production Plants Oil Gas Portal
Laboratory Tests Simulating Corrosion In Geothermal Power Plants Influence Of Service Conditions Springerlink
Performance Of Geothermal Power Plants Single Dual And Binary To Compensate For Lhc Cern Power Consumption Comparative Study Geothermal Energy Full Text
Diagram Geothermal Power Plant Schematic Diagram Full Version Hd Quality Schematic Diagram Snadiagramj Anticheopinioni It
Geothermal Power Plants Energy Education
10 Geothermal Power Plant Ideas Geothermal Power Plant Geothermal Energy
Introductory Chapter Power Generation Using Geothermal Low Enthalpy Resources And Orc Technology Intechopen
Distributed Temperature Sensing Dts In Geothermal Energy Applications Fierceelectronics
Schematic Layout Geothermal Power Plant A Kalina Cycle And B Orc Download Scientific Diagram
Energy Sources Research Assignment
Solved The Schematic Diagram Of A Double Flash Geothermal Chegg Com
Thermal Power Plant Schematic Diagram Kawasaki Bayou 220 Wiring Harness Bege Wiring Diagram
Simplified Diagram Of Geothermal Power Plant Geothermal Energy Earth S Crust Transparent Png Download 780700 Vippng
Schematic Diagram Of The Geothermal Power Generation System Download Scientific Diagram
File Schematic Doubleflash Geothermal Powerplant Eng Png Wikimedia Commons

Comments
Post a Comment